Zener diode is a diode that functions as voltage stabilization, using the reverse breakdown state of the PN junction, the phenomena that the current can change in a large range and the voltage is basically unchanged. This diode is a semiconductor device with high resistance until the critical reverse breakdown voltage. At this critical breakdown point, the reverse resistance decreases to a very small value, in this low resistance region the current increases and the voltage remains constant. Zener diodes are divided according to breakdown voltage, because of this characteristic, the zener tube is mainly used as a voltage regulator or a voltage reference component. Zener diodes can be connected in series for use at higher voltages, and higher stable voltages can be obtained by series connection.
Table of Contents
Principle
The forward characteristic of the volt-ampere characteristic curve of the zener diode is similar to that of the ordinary diode. The reverse characteristic is that when the reverse voltage is lower than the reverse breakdown voltage, the reverse resistance is large and the reverse leakage current is extremely small. However, when the reverse voltage approaches the critical value of the reverse voltage, the reverse current suddenly increases, which is called breakdown. At this critical breakdown point, the reverse resistance suddenly drops to a very small value. Although the current changes in a large range, the voltage across the diode is basically stable near the breakdown voltage, thereby realizing the diode voltage regulation function.
Fault characteristics
The faults of zener diode are mainly included open circuit, short circuit and unstable voltage value. Among these three kinds of faults, open circuit shows the increase of the power supply voltage; short circuit and unstable voltage value show that the power supply voltage becomes low to zero volts or the output is unstable.
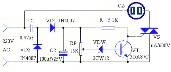
Application
Typical series voltage regulator circuit
In this circuit, the base of the triode T is stabilized at 13V by the Zener diode D, then its emitter outputs a constant voltage of 13-0.7=12.3V, within a certain range, regardless of whether the input voltage increases or decreases, regardless the load resistance changes, the output voltage remains unchanged. This circuit has applications in many situations.

Overvoltage protection circuit in TV
115V is the main power supply voltage of the TV. When the output voltage of the power supply is too high, D is turned on and the triode T is turned on. Its collector potential will change from the original high level (5V) to a low level. The voltage through the standby control line put the TV into standby protection state.

Arc suppression circuit
If an appropriate voltage stabilizing diode is connected in parallel to the inductor coil (the same principle can be connected to a common diode), when the coil is cut off in the on state, the high voltage generated by the release of its electromagnetic energy is caused is absorbed by the diode, so when the switch is off, the arc of the switch is also eliminated. This application circuit is used more in industry, such as some of the larger power electromagnetic suction control circuit.
