If you need to design a solution with a +12V input and ± 5V output, it will be used to supply the op amp from a positive and negative power supply and use it as the op amp bias voltage. If the DCDC power supply chips LM7905 and LM7805 are directly used to build the circuit, as shown in the following figure:

When you conduct the test, you will find that the positive voltage can be output normally, and the negative voltage is abnormal, unable to output normally, and the heating is serious. In fact, this type of negative voltage generator chip (LM7905) needs to provide a -12V input to output negative voltage, instead of direct positive voltage input and negative voltage output. This is wrong, so please be aware of it.
The following are two options for generating a negative voltage, as well as a way to generate a negative reference voltage.
Table of Contents
1. The charge pump generates a negative voltage
The charge pump charges and discharges the internal capacitors by building different control loops to turn the switch on and off at a certain frequency, so as to realize the functions of voltage boost, voltage down and voltage flip. The charge pump generates negative pressure scheme, the circuit design is simple, the space is small, such as the SGM3024 of Shengbonwe, its peripheral circuit is very simple, only a few capacitors, you can achieve the function of +5V input, -5V output, as shown in the figure below.

The negative voltage generated by the charge pump has a limited carrying capacity and a limited output voltage range due to its operating principle. Since the capacitor is used instead of the inductor to store the power, there is no electromagnetic interference. Its low noise, high efficiency, low quiescent current, low cost, and less space are often used in mobile phones, headphones, LEDs, digital cameras and other circuits.
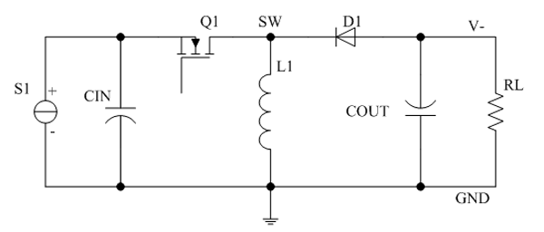
2. Reverse polarity Buck-Boost generates a negative voltage
Buck-Boost is a commonly used step-up, step-down DCDC conversion method, the use of inductor energy storage, the output voltage can be higher than the input voltage, can also be lower than the input voltage, when the duty cycle is less than 50%, the output step-down, when the duty cycle is greater than 50%, the output boost, its basic circuit is as follows.

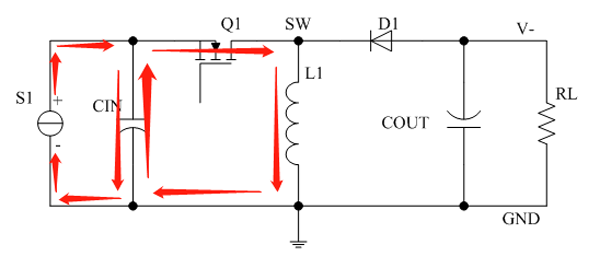
Phase 1: When Q1 is turned on, the power supply S1 charges the capacitor CIN, and the capacitor charges the inductor L1 through Q1.

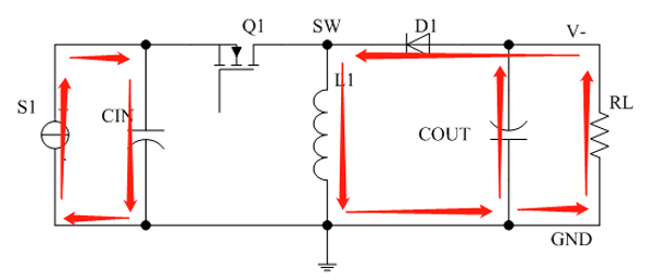
Phase 2: When Q1 is turned off, the power supply S1 charges the capacitor CIN, because the inductor current cannot be abruptly changed, the current direction of the inductor remains unchanged, the inductor L1 charges the capacitor COUT, and provides voltage to the load at the same time. Therefore, a negative voltage is formed at both ends of the load opposite to the input voltage.

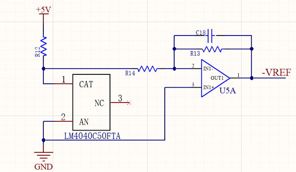
3. Negative reference voltage
The reference voltage acts as a reference in the circuit, and the accuracy of the reference voltage directly affects the performance and accuracy of the electronic system, so the negative voltage generated by the charge pump and Buck-Boost is sometimes difficult to meet the requirements of the reference voltage. However, using a reference power supply and op amp can generate a negative reference voltage that satisfies the requirements. The circuit is as follows.

The accuracy of the negative reference voltage generated in this way is mainly related to the performance parameters of the reference power IC and the op amp itself, and the op amp needs to be powered by dual power supplies.
