Table of Contents
The preface
When using LED lamp beads, if all LEDs are connected in series or in parallel, not only the use of LEDs is limited, but also the load current of parallel LEDs is larger, and the cost of the driver will also increase, the solution is to use series-parallel connection, which is currently the most commonly used form. This article will introduce what we will mainly focus on when talking about LED lamp beads.
The first is the lamp bead model
There are several types of low-power paster lamp beads, including 0201 lamp beads, 0402 lamp beads, 0603 lamp beads, 0805 lamp beads, 1206 lamp beads and so on.
There are several types of medium power paster beads, including 3014 beads, 3528 beads, 4014 beads, 2835 beads, 5730 beads, 5050 beads, etc.
If the lamp bead model is 3030, 3535, 7030, etc., then they are high-power paster lamp beads.
Second, the main parameter
The parameters of LED lamp bead types mainly include the voltage, current, power, wavelength, color temperature, etc. of the lamp beads.
a. The voltage of LED lamp bead.
The voltage of red light, yellow light, orange light and green light of LED lamps is generally about 1.9-2.3V, and the voltage of other colors is about 3.0-3.4V.
b. The current of LED lamp bead.
The working current of LED beads is generally 20mA for small LED beads, 30-150mA for medium power LED beads, and exceeds 150-300mA for high-power LED beads.
c. The power of LED lamp bead.
The power of LED lamp beads is generally 0.06W for small power lamp beads, 0.1-0.5W for medium power, and 0.5W for high power lamp beads, and even more than 1W.
d. The color temperature of LED lamp bead.
The unit of color temperature is expressed in K, and the white light series is mainly discussed here, the color temperature of warm white light is 2800-3200K, neutral white light is 4000-4500K, positive white light is 6000-6500K, and cool white light is more than 7000-10000K.
e. The LED brightness of LED lamp bead.
Different manufacturers use different brands and sizes of chips, the brightness will be different, the specific brightness can refer to the brightness reference value of the LED lamp bead manufacturer’s identification. Among them, high-brightness LED lamp beads are generally customized by LED lamp bead manufacturers.

Figure 2.1. The table of 0402 lamp beads in various colors and their parameter
Third, the schematic diagram of commonly used LED lamp working circuit.
Now we introduce the working circuit schematic diagram of two commonly used LED lights, which is for reference only.
The one is a schematic diagram of the working circuit of an LED lamp consisting of 38 LED light-emitting diodes. This is shown in Figure 3.1.

Figure 3.1.The circuit that controls 38 LED lights
The working principle of the circuit is that the circuit uses a 220v power supply, and the 220v alternating current is stepped-down by the C1 step-down capacitor (polypropylene metal film high-voltage resistant capacitor) and then rectified into direct current by the whole bridge, and then filtered by C2 and then provided constant current power supply to the 38 LED lamp beads in series through the current limiting resistor R3 (this is the classic part of this circuit).

Figure 3.2. Polypropylene metal film high-voltage resistant capacitor
The rated current of the LED lamp is 20mA, R1 is the protection resistor, R2 is the discharge resistance of the capacitor C1, and R3 is the current limiting resistor, because the voltage increase or the temperature increase will cause the current of the LED to increase, and the circuit will not be damaged due to the existence of R3. C2 is a filter capacitor, which is used to prevent the damage of the impulse current to the LED when the light is turned on, and there will be a large charging current at the moment of booting because of the existence of C1, which will cause damage to the LED when the current flows through the LED, and it is precisely because of C2 that the charging current of the light is completely absorbed by C2 and plays a role in the anti-impact protection of the light.
The voltage of each LED lamp bead of this circuit is 3-3.2v, and the power of each lamp bead is 0.05-0.06w, so the total power of 38 LEDs is about 2-2.5w, and their brightness is about the same as the brightness of a 15w incandescent bulb.
The other one is the working principle of the LED lamp circuit composed of 60 LED lamp beads, and you can see it in Figure 3.3.

Figure 3.3. The working circuit for controlling 60 LED beads
The working principle of the circuit is that the voltage of 220V is stepped-down by C1 and R2 (C1 is a polypropylene high-voltage capacitor, you can see it in Figure 3.2), wherein R2 is a discharge resistor, C1 is a step-down capacitor, and its withstand voltage value is 400V, and then direct current is output through the W1 rectifier bridge, and after the current limit by R4, it is sent to 60 LEDs connected in series. It should be noted that the load connected to resistance and capacitance reduction is LED, which is not a pure resistor, but has similar characteristics to a voltage regulator. C2 can prevent the impact of the high current on the LED tube at the moment when the light is turned on. R1 is a thermistor, and when the current increases due to an unexpected situation in the circuit, its resistance becomes larger, causing the current to decrease, thus playing a protective role.
A total of 60 LED beads are used in this circuit, and their total power is about 3.5w.
Last, the working principle of resistance capacitance step-down.
The working principle of resistance capacitance step-down is to limit the maximum operating current by using the capacitive reactance generated by the capacitor at a certain AC signal frequency. If a resistive element is connected in parallel on a capacitor at the same time, the voltage obtained from both ends of the resistive element and the power dissipation it generates depend entirely on the characteristics of the resistive element.
Therefore, capacitor bucking actually uses capacitive reactance current limiting, while capacitors actually play the role of limiting current and dynamically distributing the voltage across the capacitor and load.
For example, at an operating frequency of 50 Hz, a capacitive reactance of a 1 uF capacitor is about 3180 ohms. When a 220V AC voltage is applied to both ends of the capacitor, the maximum current flowing through the capacitor is about 70mA. Although the current flowing through the capacitor is 70mA, it does not generate power dissipation on the capacitor because if the capacitor is an ideal capacitor, the current flowing through the capacitor is the imaginary current and the power it produces is invalid.
According to this characteristic, if we connect another resistive element in parallel on a 1uF capacitor, the voltage obtained from both ends of the resistive element and the power consumption it generates depend entirely on the characteristics of the resistive element. For example, if we connect a 110V/8W bulb in parallel with a 1uF capacitor and connect it to a 220V/50Hz AC voltage, the bulb will light up and emit normal bright light without being burned. Because the current a 110V/8W bulb requires is about 72mA, it is consistent with the current-limiting characteristics generated by a 1uF capacitor.
In the same way, we can connect a 5W/65V bulb with a 1uF capacitor in parallel to a 220V/50Hz AC power, and the bulb will also be lit up without being burned. Because the working current of a 5W/65V bulb is also about 70mA. Therefore, capacitor voltage reduction is actually using capacitive impedance to limit current. And capacitors actually play a role in limiting current and dynamically distributing voltage between capacitors and loads.
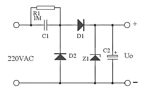
Figure 4.1 shows a typical application of resistor-capacitance step-down, C1 is the step-down capacitor, R1 is the bleeder resistor of C1 when the power supply is disconnected, and D1 is a half-wave rectifier diode. D2 provides a discharge circuit for C1 in the negative half circumference of the mains electricity, otherwise the capacitor C1 will not work when fully charged, Z1 is the zener diode, and C2 is the filter capacitor. The output is the stable voltage value of the zener diode Z1.

Figure 4.1. The typical applications for resistor-capacitance bucking
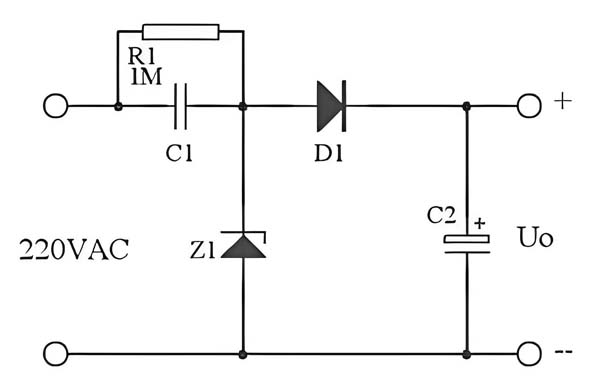
In practical application, Figure 4.2 can be used instead of Figure 4.1, where the forward and reverse characteristics of Z1 are used, the reverse characteristics (stabilized voltage characteristic) are used to stabilize the voltage, and the forward characteristics are used to provide a discharge loop for C1 in the negative half cycle of the mains electricity.

Figure 4.2. Another form of resistance and capacitance buck for typical applications
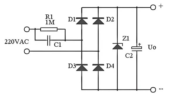
In applications with higher currents, full-wave rectification can be used, as shown in Figure 4.3.

Figure 4.3. Full-wave rectification
In the case of low-voltage full-wave rectified output, the formula for calculating the maximum output current is shown in Figure 4.4 where Xc is the capacitive reactance and Ic is the current.

Figure 4.4. The formula for calculating the maximum output current
The summary
When using capacitor step-down, pay attention to the following points:
1. Choose the right capacitor based on the load current and AC working frequency, rather than the voltage and power of the load;
2. The current-limiting capacitor must be a non-polarized capacitor and no electrolytic capacitor should be used. The capacitor voltage must be above 400V, and the most ideal capacitor is an iron-shell oil-immersed capacitor;
3. A capacitor buck cannot be used in high-power conditions because it is not safe;
4. Capacitor bucks are not suitable for dynamic load conditions;
5. Capacitive step-downs are not suitable for capacitive and inductive loads;
6. When DC power supply is required, half-wave rectification should be used as much as possible, and bridge rectifiers are not recommended.
