What is AP5103?
AP5103 is a high-efficiency, stable and reliable constant-current drive control chip for LED lamps. It has a built-in high-precision relatively large, fixed off-time control circuit, constant-current drive circuit, etc., and is especially suitable for high-power LED constant-current drive.
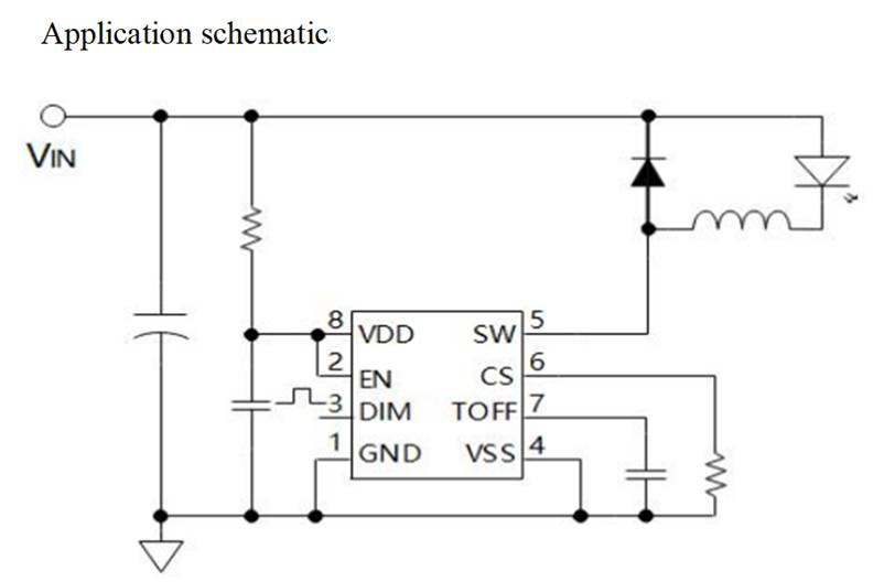
AP5103 is packaged in ESOP8, and the heat sink is built-in to connect to the SW pin. The current flowing through the LED lamp can be set by adjusting the resistance value of the external current detection. It supports linear dimming with an external voltage, and the current is 3.5A.
AP5103 adopts the peak current control method with fixed off-time, and its working frequency can reach 300KHz, which can reduce the volume of external inductors and filter capacitors, improve efficiency, save PCB area, and the minimum off-time is 620ns, and can be controlled by external capacitors mediation,the working frequency can also be adjusted according to user requirements.
Add PWM signal to EN terminal to adjust the brightness of LED light.
Features:
Built-in temperature protection
Output short circuit protection
Shutdown adjustable time
High efficiency: up to 95%
Working frequency: 300KHz
Built-in current sampling leading edge blanking circuit
Input wide voltage range: 5V ~ 60V
Peak current sampling voltage: 250mV
Built-in 60V/20A power tube and 5.6V regulator tube
Adjustable brightness: PWM dimming at EN end and linear dimming at DIM end
Application field
LED flashlight
High Power LED Driver
Lighting for electric vehicles and motorcycles

Hot tags: led lamp, PCBA manufacturer, pcb assembly, pcb structure, component, chip, light-emitting diodes, diode and led, zener diode, circuit, Customized, cheap, quotation, suppliers, factory, manufacturer, manufacturing, manufacturing services
